





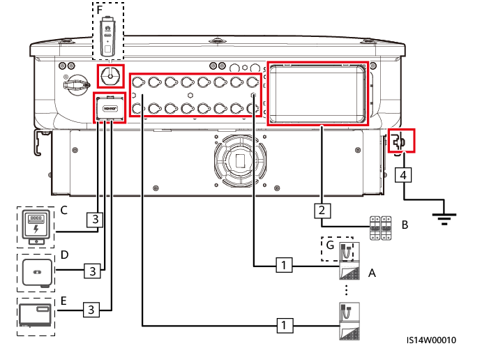
Model: SUN2000-50KTL-M3
Công suất: 50KW
Hãng: HUAWEI
Kích thước: 640 x 530 x 270 mm
Loại: Điện 3 pha
Trọng lượng: 49kg
Cấp chống nước: IP66
Bảo hành: 5 năm ( 1 đổi 1 )
Bảo vệ chống đảo: Có
Bảo vệ quá dòng AC: Có
Bảo vệ phân cực ngược DC: Có
Giám sát lỗi chuỗi mảng PV: Có
Bộ chống sét lan truyền DC: Loại II
Bộ chống sét lan truyền AC: Loại
Phát hiện điện trở cách điện DC: Có
Giám sát dòng điện dư: Có
Bảo vệ lỗi hồ quang: Có
Model: SUN2000-50KTL-M3
Công suất: 50KW
Hãng: HUAWEI
Kích thước: 640 x 530 x 270 mm
Loại: Điện 3 pha
Trọng lượng: 49kg
Cấp chống nước: IP66
Bảo hành: 5 năm ( 1 đổi 1 )
Bảo vệ chống đảo: Có
Bảo vệ quá dòng AC: Có
Bảo vệ phân cực ngược DC: Có
Giám sát lỗi chuỗi mảng PV: Có
Bộ chống sét lan truyền DC: Loại II
Bộ chống sét lan truyền AC: Loại
Phát hiện điện trở cách điện DC: Có
Giám sát dòng điện dư: Có
Bảo vệ lỗi hồ quang: Có